Description
Overview
- Analogue twilight switch
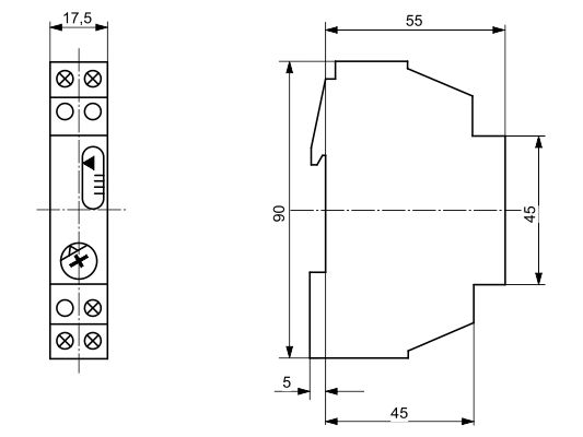
- DIN-rail mounting 17.5mm
- Switching Capacity 16A
- 923501 – Sensor for Mounting within housing
Technical data
| Supply voltages | 230 V, 50 Hz |
| Power consumption (real power) | 0,5 W |
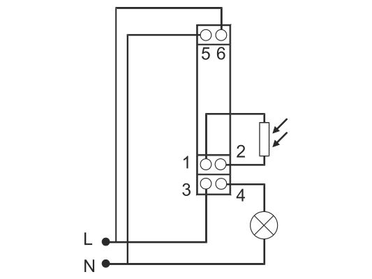
| Channel | Normally open |
| Switching capacity resistive load: inductive load: |
16 A / 250 V~ at cosϕ=1 4 A at cosϕ=0,6 |
| Zero-cross switching | Yes / for relay-saving switching |
| Contact material | AgSnO2 |
| Filament Lamp Halogen Lamp | 3.000 W |
| Fluorescent Lamp uncompensated | 3.600 W |
| Fluorescent Lamp parallel compensated (130 µF) | 1.300 W |
| Compact Fluorescent Lamp | 18 x 7 W 12 x 11 W 10 x 15 W 10 x 20 W 10 x 23 W max. |
| Switching-On value | 1–100 / 50–1.000 Lux |
| Time delay | approx. 8 sec. at ON, approx. 40 sec. at OFF |
| Switch-off | approx. 1.3 times the value of switching ON |
| Mounting | 35 mm DIN-rail |
| Permitted ambient temperature | Sensor unit –35°…+50°C Control unit –10°…+40°C |
| Type of protection | IP 54 for sensor 923500 IP 65 for sensor 923501 IP 20 for control unit |
| Sensor wiring, cross section | min. 0,5 mm2 |




